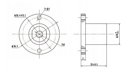
Nakrętka z kasowaniem luzu Tr 8x8 RepRap 3D V-Slot
- Średnica wewnętrzna: 8mm
- Skok gwintu: 8mm
Nakrętka z kasowaniem luzu pomaga w utrzymaniu odpowiedniego napięcia w połączeniach gwintowych.
Nakrętka ma wbudowany mechanizm kasowania luzu, który pozwala na automatyczne utrzymanie napięcia w połączeniu, nawet w przypadku występowania drgań lub obciążeń dynamicznych. Dzięki temu zapobiega luzowaniu się nakrętek i potencjalnym uszkodzeniom połączeń.
Nakrętki z kasowaniem luzu są stosowane wszędzie tam, gdzie istnieje potrzeba solidnego i trwałego połączenia gwintowego, np. w motoryzacji, przemyśle, konstrukcjach metalowych, drukarkach 3D.
Średnica wewnętrzna: 8mm
Skok gwintu: 8mm
Symbol
7121
Zapytaj o produkt
Napisz swoją opinię









