Silnik krokowy NEMA17 42HS60-1704 druk 3D CNC 200k
- Bipolarny silnik krokowy Nema 17 42HS60-1704, 4-przewodowy.
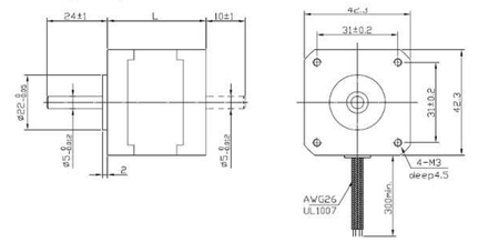
Silnik krokowy NEMA 42HS60-1704
Napięcie znamionowe B.d.
Silnik krokowy 1.8° (200 kroków na obrót) CNC
Ilość przewodów 4
Wymiary [mm] 42 x 42 x 60 (bez wału)
Średnica wału [mm] 5
Indukcyjność 6.2 mH/fazę
Moment trzymający 7.3 kg*cm
Rezystancja cewki 3 Ohm
Pobór prądu na cewkę 1.7 A
Waga 500 g
Zastosowanie:
Maszyny do cięcia, rejestrator laserowe , drukarki 3D
Symbol
MOD003740
Kod producenta
5904257856616
Kod producenta
42HS40-1704
Producent
Oem
Stan
Nowy
Zapytaj o produkt
Napisz swoją opinię












