Magnetyczny czujnik poziomu wody MR5802 NO/NC 3 przewody
- Magnetyczny czujnik poziomu wody MR5802 NO/NC 3 przewody
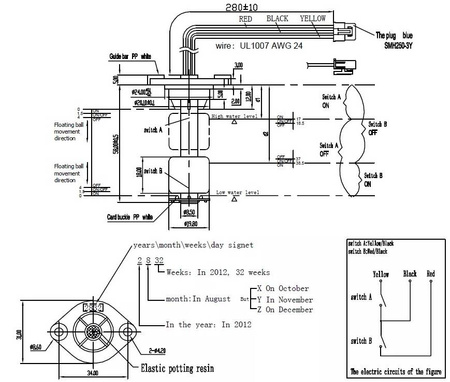
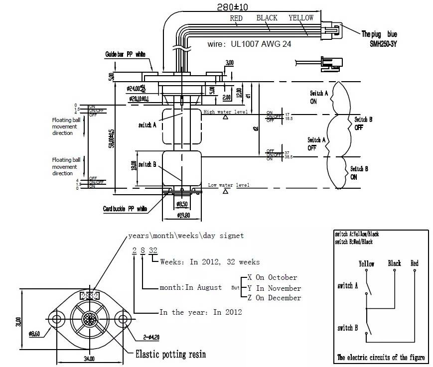
Czujniki pływakowe poziomu cieczy stosuje się tam, gdzie potrzebna jest stała kontrola i regulacja poziomu płynu (wody, oleju i innych płynów).
W czujniku zamontowany jest pływak wraz z magnesem , który działając siłą wyporu płynu przesuwa się po rurce powodując zwieranie lub rozwieranie kontaktronu.
Dane techniczne:
- Max napięcie: 50V
- Max prąd: 0.5A
- Długość przewodu: 28cm
- styk: NC/NO
Montuje się je przeważnie w dnie lub pokrywie zbiornika, więc mogą kontrolować górny i dolny poziom płynu.
Symbol
MOD06452
Kod producenta
5904257825001
Kod producenta
MR5802
Producent
inny
Model
MR5802
Stan
Nowy
Rodzaj
czujnik
Zapytaj o produkt
Napisz swoją opinię





