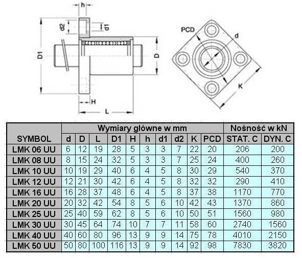
Łożysko liniowe z kwadratowym kołnierzem LMK30UU
- Łożysko liniowe z kołnierzem kwadratowym fi 30mm typu LMK 30 UU druk CNC 3D
Łożyska liniowe z kołnierzem służą do mocowania ich w mechanizmach, w których chce się uzyskać przemieszczenie liniowe.
✅ otwory znajdujące się w kołnierzu pozwalają na dokładne mocowanie do elementu pozycjonowanego, a następnie osiągnięcie posuwu łożyska razem z elementem po wałku;
✅ dzięki otworom są łatwe w montażu - można je przymocować bezpośrednio do ruchu liniowego, a w razie usterki osprzętu czy awarii, nie będzie kłopotu z jakąkolwiek wymianą;
✅ kwadratowy kołnierz zapewnia niski współczynnik tarcia, stabilność i niską prędkość przesuwu;
✅ spełnia oczekiwania użytkowników, ponieważ gwarantuje precyzyjną pracę, możliwość zmniejszenia gabarytów zestawu, a także idealne pozycjonowanie elementów.
Symbol
7003
Zapytaj o produkt
Napisz swoją opinię

























