Łożysko liniowe z kwadratowym kołnierzem LMK25UU
- Łożysko liniowe z kołnierzem kwadratowym fi 25mm typu LMK 25 UU druk CNC 3D
Łożyska liniowe z kołnierzem służą do mocowania ich w mechanizmach, w których chce się uzyskać przemieszczenie liniowe.
✅ otwory znajdujące się w kołnierzu pozwalają na dokładne mocowanie do elementu pozycjonowanego, a następnie osiągnięcie posuwu łożyska razem z elementem po wałku;
✅ dzięki otworom są łatwe w montażu - można je przymocować bezpośrednio do ruchu liniowego, a w razie usterki osprzętu czy awarii, nie będzie kłopotu z jakąkolwiek wymianą;
✅ kwadratowy kołnierz zapewnia niski współczynnik tarcia, stabilność i niską prędkość przesuwu;
✅ spełnia oczekiwania użytkowników, ponieważ gwarantuje precyzyjną pracę, możliwość zmniejszenia gabarytów zestawu, a także idealne pozycjonowanie elementów.
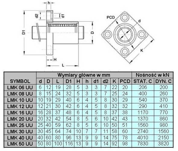
Wymiary:
d = 25
D = 40
L = 59
D1 = 62
H = 8
h = 5
d1= 6
d2 = 10
K = 50
PCD = 51
Nośność w kN:
STAT. C - 1560
DYN. C - 980

























