Czujnik natężenia prądu przemiennego 10A/1V
- Czujnik natężenia prądu przemiennego 10A/1V
Czujnik natężenia prądu przemiennego 10A/1V (przekladnik prądowy)
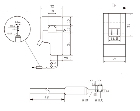
Czujnik (przekładnik prądowy) mierzy natężenie prądu przepływającego w pojedynczym przewodzie. Dzięki rozpinanej obudowie czujnika nie ma potrzeby rozcinania przewodu. Na wyjściu czujnika pojawia się analogowe napięcie 0-1V
Dane techniczne:
- Prąd pomiarowy: do 10A
- Napięcie wyjściowe: 0-1V
- Długość przewodu: 1m zakończony wtykiem jack 3.5mm
- Max. średnica przewodu: 12mm
Symbol
MOD003173
Kod producenta
MOD003173
Zapytaj o produkt
Napisz swoją opinię







